一、產品簡介
旋翼多流干式水表主要用于家庭或者一個居民單元測量流經自來水管道飲用冷(熱)水的用量,適用于小型工業企業用水和家庭用水計量。它的生產標準為ISO 4064(等同于GB/T 778-2007)。
LXSG-15E~50E(冷水)銅殼及塑殼

LXSGR-15E~50E(熱水)

8位字輪和1位指針(DN15)

經濟型銅殼和塑殼(DN15)

意大利式樣

不銹鋼表殼

二、工作原理
水流流過旋翼多流干式水表時推動葉輪旋轉,葉輪轉速與水的流量成正比,葉輪的旋轉圈數與通過水表的水的總量成正比,由指示裝置累積葉輪的旋轉總圈數而得到流過水表的水的總量,并以立方米(m3)為單位顯示在水表標度盤上。
因其計數機構與被測水隔絕,故不受水中懸浮雜質的影響,確保計數機構的正常工作和讀數的清晰,同時也不會像濕式水表那樣,因表內外溫差而造成玻璃下方起霧或凝結水珠等影響水表抄讀的現象。
本類水表的誤差調節裝置一般是外調方式,其外形尺寸和內部結構與同規格的濕式水表基本相同,許多零部件可互相通用。
三、產品特點
1. 多流束;
2. 水平安裝;
3. 磁性傳動,可防止外部磁場干擾;
4. 干式計數器采用真空密封,防冷凝霧化,可長期保持讀數清晰;
5. 采用優質材料,性能穩定可靠;
6. 通用性強,更換維修方便;
7. 計量精度高,該表各項技術指標符合ISO4064的B級或C級標準或R80、R100、R125、R160標準;
8. 表殼有塑料、鐵、銅和不銹鋼等可供選擇,其中銅殼可選本色或噴塑;
9. 可適用于≤50℃冷水或≤90℃熱水;
10. 水壓≤1MPa或1.6MPa(即10bar或16bar);
11. 可帶止回閥和進水口濾網;
12. 可根據用戶要求增加遠傳脈沖輸出功能;
13. 計數器可以是"5位字輪+4位指針"或"8位字輪+1位指針"。
四、流量技術參數
| 型號 | 公稱口徑 | 英寸 | 計量等級 | Qmax | Qn | Qt | Qmin | 最小讀數 | 最大讀數 |
| 大流 | 常用流量 | 分界 | 下流 | ||||||
| DN(mm) | m3/h | L/h | m3 | ||||||
| LXSG-15E | 15 | 1/2" | B | 3 | 1.5 | 120 | 30 | 0.00005 | 99999 |
| C | 22.5 | 15 | |||||||
| LXSG-20E | 20 | 3/4" | B | 5 | 2.5 | 200 | 50 | 0.00005 | 99999 |
| C | 37.5 | 25 | |||||||
| LXSG-25E | 25 | 1" | B | 7 | 3.5 | 280 | 70 | 0.00005 | 99999 |
| C | 52.5 | 35 | |||||||
| LXSG-32E | 32 | 11/4" | B | 12 | 6 | 480 | 120 | 0.00005 | 99999 |
| C | 90 | 60 | |||||||
| LXSG-40E | 40 | 11/2" | B | 20 | 10 | 800 | 200 | 0.00005 | 99999 |
| C | 150 | 100 | |||||||
| LXSG-50E | 50 | 2" | B | 30 | 15 | 3000 | 450 | 0.00005 | 99999 |
| C | 225 | 90 | |||||||
| LXSG-65E | 65 | 2 1/2" | B | 50 | 25 | 5000 | 750 | 0.00005 | 99999 |
| C | 375 | 150 | |||||||
| 型號 | LXSG-15E | LXSG-20E | LXSG-25E | LXSG-32E | LXSG-40E | LXSG-50E | LXSG-65E | |
| 公稱口徑 | mm | 15 | 20 | 25 | 32 | 40 | 50 | 65 |
| 英寸 | 1/2" | 3/4" | 1" | 11/4" | 11/2" | 2" | 2 1/2" | |
| Q?(m3/h) | 3.125 | 5 | 7.875 | 12.5 | 20 | 31.25 | 50 | |
| Q?(m3/h) | 2.5 | 4 | 6.3 | 10 | 16 | 25 | 40 | |
| R80 | Q?(L/h) | 50 | 80 | 126 | 200 | 320 | 500 | 800 |
| Q?(L/h) | 31.25 | 50 | 78.75 | 125 | 200 | 312.5 | 500 | |
| R100 | Q?(L/h) | 40 | 64 | 100.8 | 160 | 256 | 400 | 640 |
| Q?(L/h) | 25 | 40 | 63 | 100 | 160 | 250 | 400 | |
| R125 | Q?(L/h) | 32 | 51.2 | 80.64 | 128 | 204.8 | 320 | 512 |
| Q?(L/h) | 20 | 32 | 50.4 | 80 | 128 | 200 | 320 | |
| R160 | Q?(L/h) | 25 | 40 | 63 | 100 | 160 | 250 | 400 |
| Q?(L/h) | 15.62 | 25 | 39.37 | 62.5 | 100 | 156.2 | 250 | |
| 最小讀數(m3) | 0.00005 | 0.00005 | 0.00005 | 0.00005 | 0.00005 | 0.00005 | 0.00005 | |
| 最大讀數(m3) | 99999 | 99999 | 99999 | 99999 | 99999 | 99999 | 99999 | |
| 最大承受壓力(MAP) | 16 | 16 | 16 | 16 | 16 | 16 | 16 | |
| 壓損(ΔP) | 63 | 63 | 63 | 63 | 63 | 63 | 63 | |
| 最高溫度 | T50 | T50 | T50 | T50 | T50 | T50 | T50 | |
五、最大允許誤差
① 低區 (Q?≤Q<Q?) 最大允許誤差為±5%
② 高區 (Q?≤Q≤Q?) 最大允許誤差為±2% (熱水表±3%)

六、壓力損失曲線

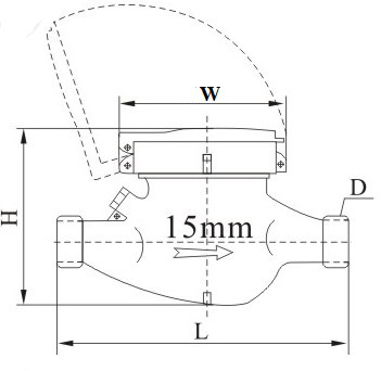
七、外形及規格尺寸
![]() | ![]() |
| 型號 | 公稱口徑 DN | 長 L | 寬 W | 高 H | 連接螺紋 |
| mm | mm | D | |||
| LXSG-15E | 15 | 165/190 | 98 | 104 | G?B |
| LXSG-20E | 20 | 190/195 | 98 | 106 | G1B |
| LXSG-25E | 25 | 260/225 | 103 | 115 | G1?B |
| LXSG-32E | 32 | 260/230 | 103 | 115 | G1?B |
| LXSG-40E | 40 | 300/245 | 124 | 153 | G2B |
| LXSG-50E | 50 | 300 | 124 | 153 | G2?B |
| 280 | 165 | 175 | 法蘭連接 | ||
| LXSG-65E | 65 | 280 | 165 | 179 | |
八、安裝、使用與維護
1. 選擇水表口徑應根據安裝地點的管道直徑及用水量大小來選擇適宜口徑的旋翼多流干式水表。
2. 安裝位置要避免暴曬、冰凍和水淹,便于抄表和拆裝的地方,在冰凍季節應做好防凍保護。
3. 裝水表前,務必先將管道內的石子、泥沙、麻絲等雜物沖洗干凈,以免造成水表故障。
4. 為了水表的計量準確,水流方向和表殼箭頭方向必須一致,水表度盤應朝上,不能傾斜,水龍頭應高于水表。
5. 水表不能直接與管道連接,安裝時,水表前后端應裝閥門,便于拆裝,維修水表時應切斷水源。
6. 冷水表如安裝在鍋爐或有熱源進水管處,應防止回流燙壞水表。(應該安裝熱水表或水流出口處安裝止回閥)
7. 不用水時,如水表有微小走動或倒轉現象,是由于管路中水流壓力不穩定或其它原因引起。可在水表進水口前端裝止回閥,或在水表出水口后的管路中檢查有無漏水現象。
8. 由于溫差原因,水表殼外可能會出現濕漉或玻璃下出現霧氣(哈氣)現象,均為正常。若影響讀數,可在表玻璃上澆低于25℃的溫水,使霧氣散開。
九、配件
隨同每只旋翼多流干式水表附帶說明書、合格證各1份,管接頭、連接螺母和橡膠墊圈各2件。
十、售后服務
1.凡是使用我廠的水表一年內,安裝合理且使用流量正常,確因產品本身質量引起的內部機件損壞造成故障(凍壞除外),在保證鉛封完整有效的情況下,本廠負責修理、調換。
2.使用我廠產品自行維修的單位,如水廠、工礦等,我廠長期供應維修配件。